Nachdem ich mit meinen Hypex Endstufen nach wievor sehr zufrieden bin, muss trotzdem der Spieltrieb ran und diese Amps fielen mir quasi in die Hände…
Ok, ich hab nicht geputzt…
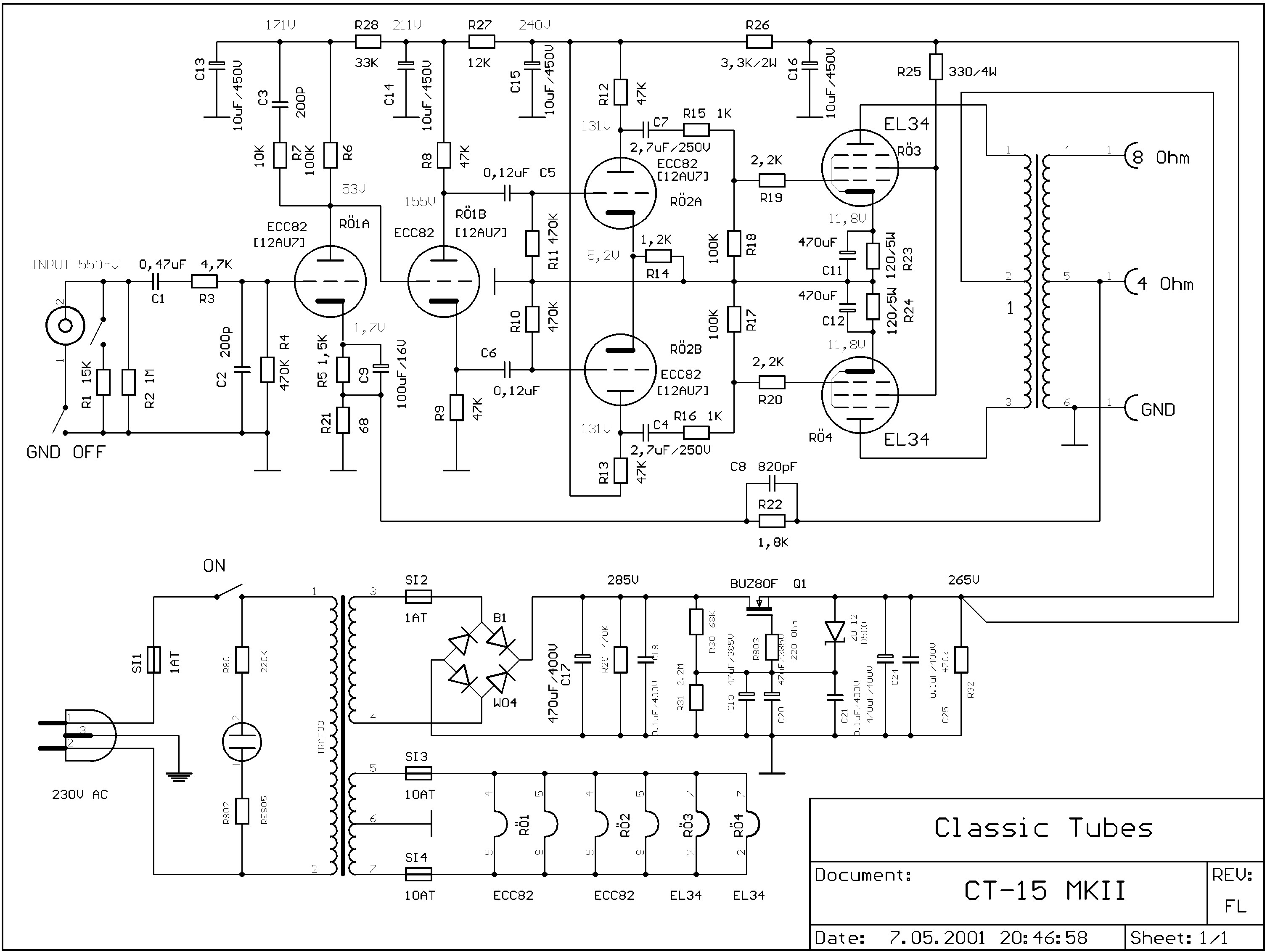
Nach einiger Recherche habe ich herausgefunden, dass die mal von TV Lechner vertrieben wurden, von denen ich dankeswerter weise auch den Originalschaltplan zum download erhalten habe: Download
Bei meinen Monos mussten die LS-Anschlüsse ersetzt werden und dann habe ich das Glück gehabt, dass ich dieses Paar auch von Physical Lab kurz durchchecken lassen durfte:
Ich muss sagen, ich bin zufrieden und es klingt auch sehr fein. Ich muss nun doch nicht die Röhren wechseln…
TV lechner bietet übrigens ein Upgrade an, mit verbesserten LS Anschlüssen und einem geänderten Netzteil.
Der geänderte Schaltplan findet sich hier Download
Und wie klingts? Ich habe meine Altos Impedanzentzerrt und es klingt – anders…
In den Bässen etwas weicher und runder, in den Mitten Traumhaft schön und seidig, in den Höhen ziemlich nach Perfektion – das alles aber nur bei Leisen Pegeln. Deshalb muss schnell ein Lautsprecher her, der meeeehr Schalldruck hat (The Bird in Schön ) und ein keiner Breiti.
Schöner Einstige in die Röhrenwelt ist das 🙂





